|
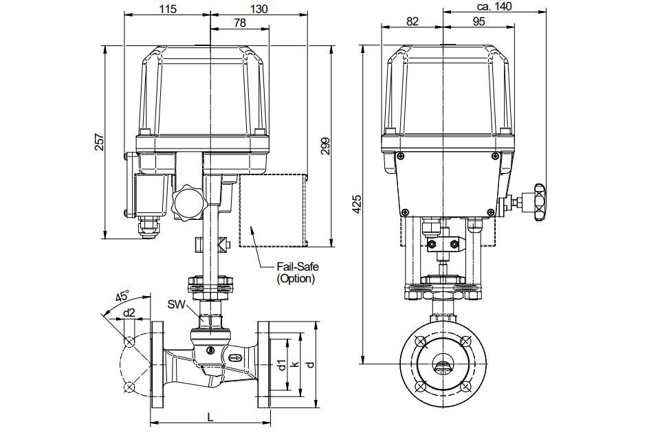
7332型适用于中性及腐蚀性介质的高精度法兰式电动阀,可执行开关及调节操作。提供带失效防护功能的版本。法兰阀门提供斜体结构和直通式设计,符合多种连接标准。采用气动或电动执行机构设计的法兰阀门,无论是开关阀还是调节阀,其维护便捷性尤为突出——大口径型号。其执行机构可轻松从管道中拆卸并重新安装。此外,法兰阀门凭借其结构设计,具备高坚固性与可靠性。
高速高分辨率电动阀
适用于中性至强腐蚀性介质
运行噪音低(静音运行)
小型执行器即可控制高压差
快速行程速度
死区小
启动平稳,减速缓慢
不锈钢阀体
适用温度范围:-100 至 200 ℃

2个额外行程限位开关:可自由调节的无电压触点(开/关)
故障防护保护:安装于执行器本体,可在防护位置自由选择
通信软件:配备通信接口,用于执行器的参数设置与故障诊断
|
产地 |
德国 |
|
公称尺寸 |
dn 25 |
|
阀体材料 |
1.4408 (cf8m) |
|
连接方式 |
法兰符合din en 1092-1标准(dn15-dn80);法兰符合ansi #150标准(dn15-dn50) |
|
尺寸 |
符合din en 558-1 1行;符合ansi/isa-75.08.01 |
|
公称压力 |
pn 40,ansi #150 |
|
介质温度 |
-30 至 200 ℃;可选-100 至 220 ℃ |
|
标准型环境 |
-10 至 60 ℃ |
|
低温型环境 |
-40 至 60 ℃ |
|
介质粘度上限 |
600 mm²/s (600 cst,80°e) |
|
真空度上限 |
0.001 bar |
|
调节比 |
30 : 1 |
|
无腔版本工作压力上限 |
12 bar |
|
密封件泄漏量 |
按din en iso 15848-1及vdi 2440定义的ta-luft标准测试 |
|
驱动力 |
2.0 kn / 5.0 kn |
|
电源接口 |
24 v ac/dc;100 至 240 v 50/60hz |
|
防护等级(en 60529) |
ip 67 |
|
24 v交流/直流工作时max功耗 |
40 w |
|
行程 ≥ 6 mm时死区 |
± 0.2 % |
|
行程 ≥ 6 mm时重复精度 |
± 0.1 % |
|
循环次数(故障防护模式) |
500000 |
|
使用寿命(故障防护模式) |
10年 |
|
附加输入 |
二进制输入 |
|
附加输出 |
2路报警输出 |
|
电气连接 |
|
|
电源接口 |
m20×1.5(可选npt 1/2") |
|
信号/位置反馈 |
2× m16×1.5 |

过程工程、化工行业、工厂设备