|
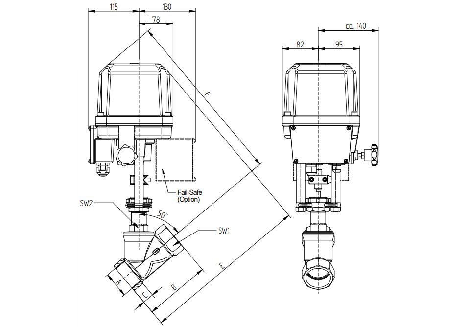
7310型高精度角座电动阀适用于中性及腐蚀性介质,可执行开关及调节操作。提供带失效防护功能的版本,适用于过程工程、化工行业及工厂设备中对中性至强腐蚀性介质的控制与切换。角座阀具备使用寿命长、开关可靠、高控制的特性。由于阀门执行机构相对于管道呈倾斜布置,紧凑型角座开关阀与调节阀即使在狭窄的空间内也能安装运行。阀体可与多种执行机构类型组合,广泛适用于工业管道系统的各类应用场景。
高速高分辨率电动阀
运行噪音低(静音运行)
小型执行器即可控制高压差
快速行程速度
死区小
启动平稳,减速缓慢
不锈钢阀体
适用温度范围:-50 至 220 ℃

定位器电子元件
限位开关
位置反馈器
失效防护功能
|
产地 |
德国 |
|
控制力 |
2 kn,5 kn |
|
电机电压 |
24 vac/dc,230 v,110/120 v |
|
控制方式 |
三点控制;(0)2 至 10 v;(0)4 至 20 ma |
|
适用介质 |
气体、蒸汽、液体 |
|
防护等级 |
ip 67 |
|
主体材料 |
不锈钢1.4408 |
|
公称尺寸 |
dn 40;1-1/2" |
|
连接方式 |
|
|
管道螺纹符合iso 228-1标准 |
dn 40 - 80;1-1/2 至 3 " |
|
npt螺纹 |
dn 40 - 80;1-1/2 至 3 " |
|
焊接端 |
dn 40 - 65;1-1/2 至 2-1/2 " |
|
卡箍连接 |
dn 40 - 65;1-1/2 至 2-1/2 " |
|
公称压力 |
pn 40 |
|
介质温度 |
-30 至 200 ℃,可选-50 至 220 ℃ |
|
环境温度标准 |
-10 至 60 ℃ |
|
低温版本 |
-40 至 60 ℃ |
|
max粘度 |
600 mm²/s (600 cst) |
|
max真空度 |
0.001 bar |
|
max填料函工作压力 |
12 bar |
|
max三夹头连接工作压力 |
16 bar |
|
填料泄漏量 |
按din en iso 15848-1及vdi 2440定义的ta-luft标准测试 |
|
循环次数(故障) |
500000 |
|
使用寿命(故障) |
10年 |
|
诊断功能 |
存储电机及总使用寿命、温度和运行等级 |
|
阀门适应性 |
自动行程调节以适应阀门限位 |
|
附加输入 |
二进制输入 |
|
附加输出 |
2个报警输出 |
|
电气连接 |
|
|
电源接口 |
m20×1.5(可选npt 1/2") |
|
信号/位置反馈 |
2x m16×1.5 |

化学生产、食品加工、瓶装灌装、钢铁、聚合物、造纸、太阳能电池、轮胎制造